首页
关于我们
公司简介
发展历程
公司奖项
合作伙伴
必威betawy官方网站
二极管
betway必威西汉姆联官网
betway必威西盟体育官网入口
BetWay必威官方网站app
BetWay必威官方网站
Betway必威App体育
TVS管
BetWay88体育平台
静电管
开关管
高压管
三极管
三极管
桥堆
Betway·必威(西汉姆联)唯一官方网站
肖特基桥
整流桥
MOS
betway必威
SGT MOS
Trench MOS
Planar MOS
betway88必威东盟体育
SiC SBD
Betway必威手机版
betway88官网手机版
betway88官网手机版
中控
电池管理
逆变器
充电桩
HID氙气灯
车载OBC
工业控制
机器人
仪表
电动工具
变频器
消费电子
电源适配器
LED驱动
移动电源
医疗设备
PC电源
电动车
无线充
通信
基站电源
通信交换机和路由器
5G电源
家电
白电
黑电
小家电
必威中文官网首页网站
公司新闻
行业新闻
电子百科
联系我们
联系方式
代理中心
人才招聘
打开搜索
搜索
中
EN
逆变器
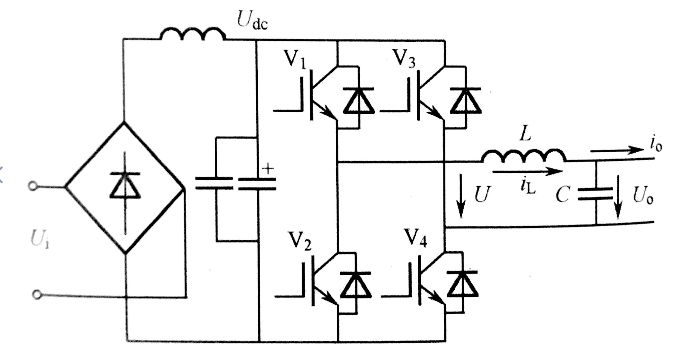
简介:逆变器是把直流电能(电池、蓄电瓶)转变成交流电(一般为220V,50Hz正弦波)。它由逆变桥、控制逻辑和滤波电路组成。
应用范围:广泛适用于空调、家庭影院、电动砂轮、电动工具、缝纫机、DVD、VCD、电脑、电视、洗衣机、抽油烟机、冰箱,录像机、按摩器、风扇、照明等。
应用实例:
应用电路:
公司简介
发展历程
公司奖项
合作伙伴
二极管
三极管
桥堆
MOS
betway88必威东盟体育
betway88官网手机版
工业控制
消费电子
通信
家电
公司新闻
行业新闻
电子百科
联系方式
代理中心
人才招聘
地址:广东省深圳市龙华区民塘路328号鸿荣源北站中心B座13楼
邮箱:info@mddchenda.com
关注我们
Copyright © 2025 必威betway中文版备用网. All Rights Reserved. Designed by
Wanhu
粤ICP备12056215号-3
联系我们
法律声明
友情链接
在线咨询
咨询热线
电话:0755-82727366
微信
邮箱
info@mddchenda.com
betway必威入口